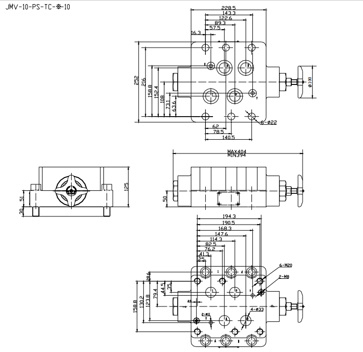
榆次油研電磁閥JMV-10-PS-TC安裝尺寸:

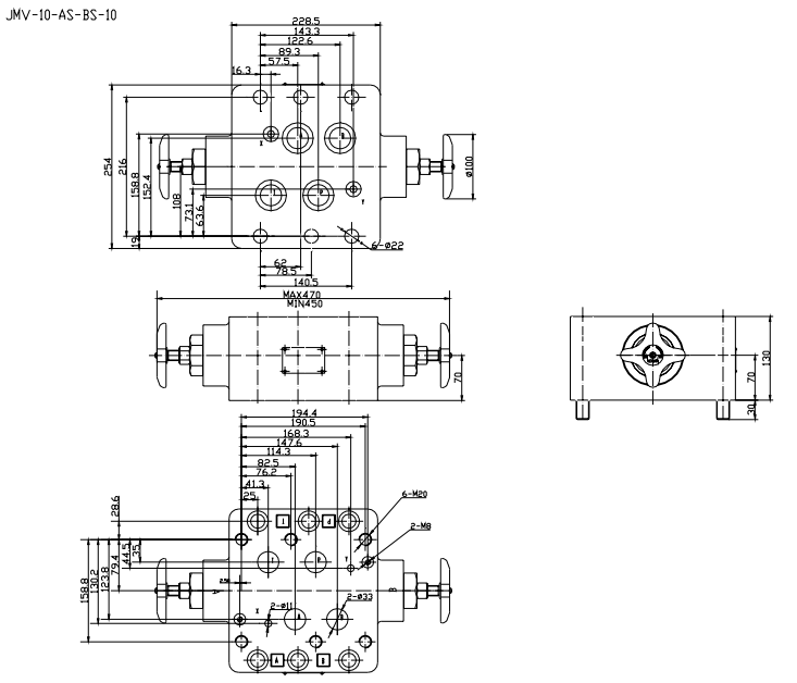
榆次油研電磁閥JMV-10-AS-BS-10安裝尺寸:

JMV-10維修閥主要特點:
現代液壓系統中,為了減小液壓系統體積,而大量采用疊加式元件與集成油路塊組合成液壓控制回路。本元件與它們配合使用,在保證液壓控制回路的功能外,大大提高了其維護和維修特性,減少了體積使用本元件時先將其安裝在集成油路塊上,再在其上安裝其它液壓元件
榆次油研電磁閥JMV-10-PS-TC,JMV-10-AS-BS-10安裝尺寸
JMV-10-PS-TC-※-10
JMV-10-AS-BS-10