A37-F-R-07-S-K-32日本油研液壓油泵:性能特點及應用領域
一、引言
日本油研液壓油泵,作為世界領先的液壓設備制造商,以其卓越的性能和廣泛的應用領域而聞名于世。
其中,A37-F-R-07-S-K-32型號的液壓油泵更是代表了油研公司在液壓技術領域的核心實力。本文將詳細介紹這款液壓油泵的性能特點及應用領域。
二、性能特點
高效率:A37-F-R-07-S-K-32液壓油泵采用了油研公司自主研發的軸向柱塞泵技術,使得容積效率高,能在較低的流量下保證較高的壓力輸出。
穩定可靠:該液壓油泵的零部件均經過精密制造和嚴格的質量控制,保證了其在使用過程中的穩定性和可靠性。同時,其具有較低的維護成本和較長的使用壽命。
廣泛的適應性:A37-F-R-07-S-K-32液壓油泵可以適應各種不同的工作環境和溫度條件。無論是高溫還是低溫,無論是高海拔還是潮濕環境,它都能保持優異的性能。
節能環保:這款液壓油泵具有較高的能效比,能有效減少能源消耗。同時,其使用的液壓油對環境友好,符合當前的環保要求。
三、應用領域
由于A37-F-R-07-S-K-32液壓油泵的優異性能,其被廣泛應用于以下領域:
工業生產:在工業生產線上,液壓設備被廣泛應用于各種機械和設備的驅動。A37-F-R-07-S-K-32液壓油泵的高效性和穩定性為工業生產提供了強有力的支持。
工程機械:在工程機械中,液壓系統是實現各種復雜動作的關鍵部分。A37-F-R-07-S-K-32液壓油泵的高性能使得工程機械更加靈活和高效。
航空航天:在航空航天領域,對液壓系統的精度和可靠性有極高的要求。A37-F-R-07-S-K-32液壓油泵的高精度控制和穩定性能使其在該領域得到廣泛應用。
船舶制造:在船舶制造中,復雜的液壓系統是實現各種功能的關鍵。A37-F-R-07-S-K-32液壓油泵的高效性和穩定性為船舶的正常運行提供了保障。
能源領域:在石油、天然氣等能源領域,液壓設備被用于各種復雜的工作環境中。A37-F-R-07-S-K-32液壓油泵的高溫適應性使其在該領域得到廣泛應用。
四、結論
A37-F-R-07-S-K-32日本油研液壓油泵以其卓越的性能特點和應用領域的廣泛性,展現了日本油研公司在液壓技術領域的領先地位。
這款液壓油泵的高效性、穩定性、適應性以及節能環保特性使其在工業生產、工程機械、航空航天、船舶制造以及能源領域等都得到了廣泛的應用。
這不僅證明了日本油研公司在液壓技術領域的實力,也對其在未來的發展提出了更高的期待。
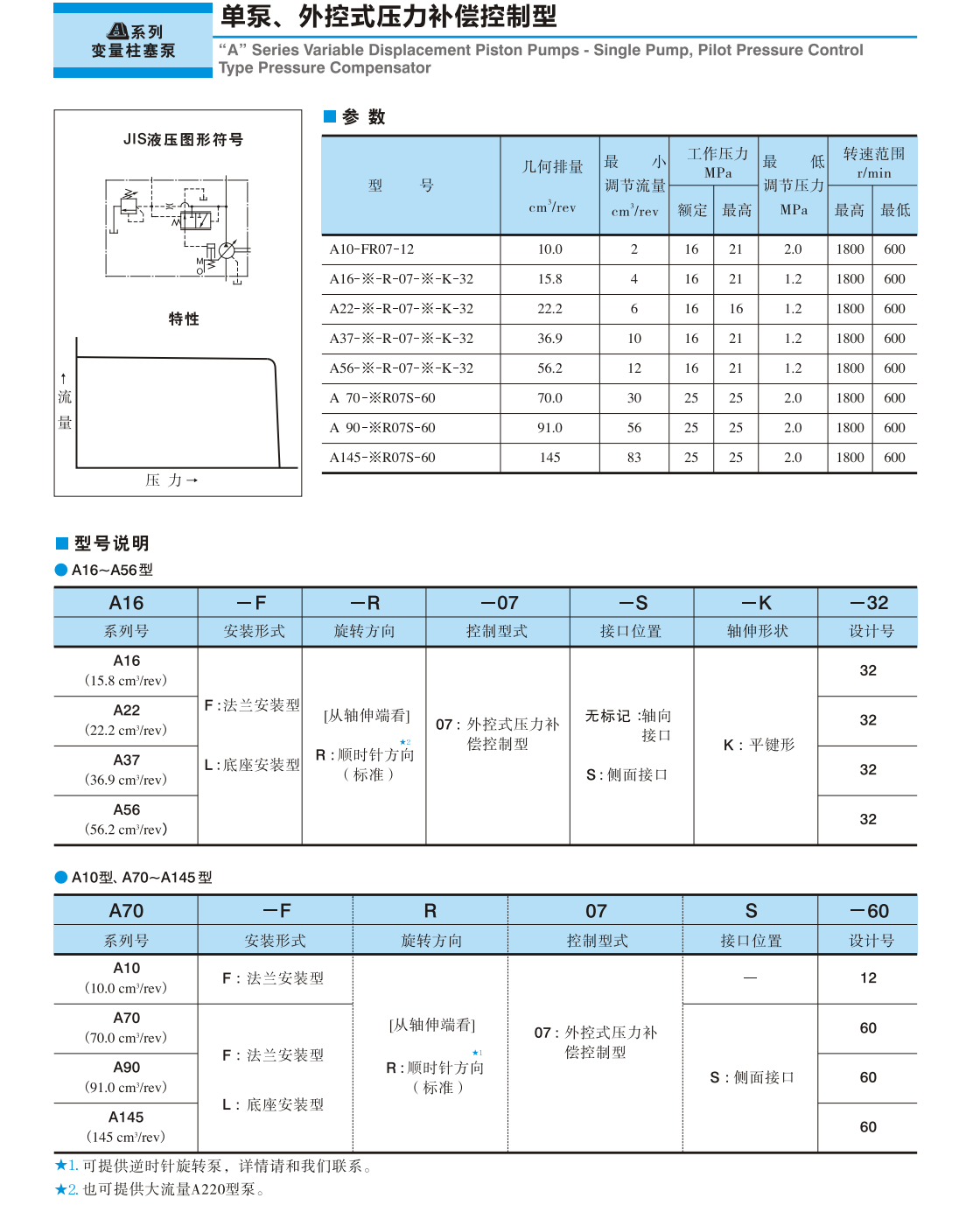
油研變量柱塞泵 - 單泵、外控式壓力補償控制型
yuken柱塞泵A16-L-R-07-S-K-32 yuken柱塞泵A16-L-R-07-K-32 yuken柱塞泵A22-L-R-07-S-K-32 yuken柱塞泵A22-L-R-07-K-32 yuken柱塞泵A37-L-R-07-S-K-32 yuken柱塞泵A37-L-R-07-K-32 | yuken柱塞泵A56-L-R-07-S-K-32 油研變量柱塞泵A56-L-R-07-K-32 油研變量柱塞泵A16-F-R-07-S-K-32 油研變量柱塞泵A16-F-R-07-K-32 油研變量柱塞泵A22-F-R-07-S-K-32 油研變量柱塞泵A22-F-R-07-K-32 | 油研變量柱塞泵A37-F-R-07-S-K-32 油研變量柱塞泵A37-F-R-07-K-32 油研變量柱塞泵A56-F-R-07-S-K-32 油研液壓泵A56-F-R-07-K-32 油研液壓泵A70-LR07S-60 | 油研液壓泵A90-LR07S-60 油研液壓泵A145-LR07S-60 油研液壓泵A70-FR07S-60 油研液壓泵A90-FR07S-60 油研液壓泵A145-FR07S-60 |
